13861451988
產品分類
熱門新聞
相關文檔
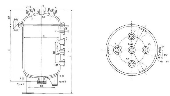
搪玻璃貯罐
聯系人:張楓 手 機:13861451988 微 信:z475346993 電 話:0510-83204498 傳 真:0510-83204498 Q Q:475346993 郵 箱:475346993@qq.com 網 址:m.zhwp.com.cn 地 址:無錫市惠山區溪南工業園
掃一掃
關注手機站